
Marque :
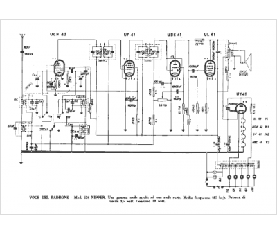
La Voce del Padrone
Modèle :
524 Nipper
Type appareil :
récepteur à tubes
Pays d'origine :
Italie
