
Marque :
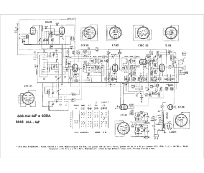
La Voce del Padrone
Modèle :
1648
Type appareil :
récepteur à tubes
Pays d'origine :
Italie
