
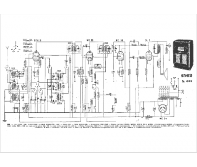
Marque :
La Voce del Padrone
Modèle :
1562
Type appareil :
récepteur à tubes
Pays d'origine :
Italie
