
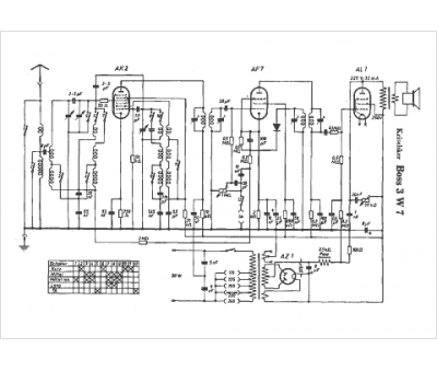
Marque :
Krischker
Modèle :
Boss 3 W 7
Type appareil :
récepteur à tubes
Pays d'origine :
Allemagne
