
Marque :
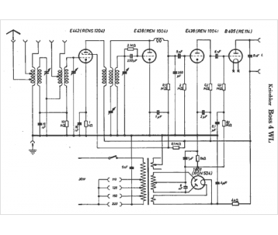
Krischke
Modèle :
Boss 4WL
Type appareil :
récepteur à tubes
Pays d'origine :
Allemagne
