
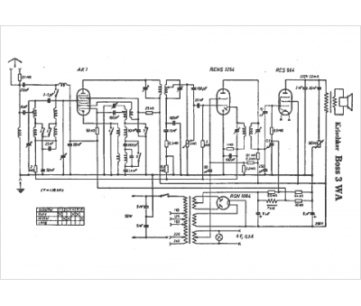
Marque :
Krischke
Modèle :
Boss 3WA
Type appareil :
récepteur à tubes
Pays d'origine :
Allemagne
