
Marque :
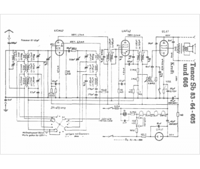
Krefft
Modèle :
Tenor Sb83-64-605
Type appareil :
récepteur à tubes
Pays d'origine :
Allemagne
