
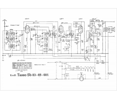
Marque :
Krefft
Modèle :
Tasso Sb83-65-601
Type appareil :
récepteur à tubes
Pays d'origine :
Allemagne
