
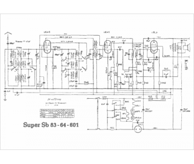
Marque :
Krefft
Modèle :
Super Sb83-64-601
Type appareil :
récepteur à tubes
Pays d'origine :
Allemagne
