
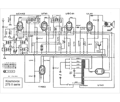
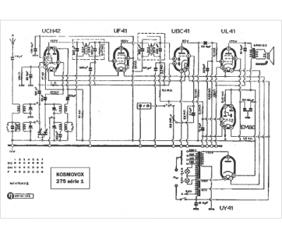
Marque :
Kosmovox
Modèle :
275
Type appareil :
récepteur à tubes
Pays d'origine :
Italie
