
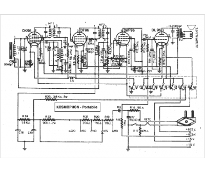
Marque :
Kosmophon
Modèle :
Portable
Type appareil :
récepteur à tubes
Pays d'origine :
Italie
