3												documents												correspondent à
												votre recherche.
										
											
											
											
												Caractéristiques de l'appareil
																									
												
													
													
														
																													
																																											
																Type appareil :
																récepteur à tubes
															 
																																																																					 
													
												 
											 
											
																								3													documents													correspondant à cet appareil
												
												
																											
															
															
																
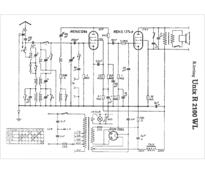
																		Schéma Körting Unix R 2100 Wl
																																	
																																																																																	1 page 
																
																
																	
																																						
																					| 
																						Document présent dans Rétro-schémas 2 | 
																					
																						Acheter  | 
																				
																				
																				
																					| 
																						En ligne, disponible en
																						téléchargement
																					 | 
																																												Télécharger
																						 | 
																				
																				
																	
																 
																
															 
															
														 
																											
															
															
																
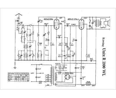
																		Schéma Körting Unix R2100 WL
																																	
																																																																																	1 page 
																
																
																	
																																						
																					| 
																						Document présent dans Rétro-docs 5 | 
																					
																						Acheter  | 
																				
																				
																				
																					| 
																						En ligne, disponible en
																						téléchargement
																					 | 
																																												Télécharger
																						 | 
																				
																				
																	
																 
																
															 
															
														 
																											
															
															
																
																		Schéma Körting Unix R2100 WL
																																	
																																																																																	1 page 
																
																
																	
																																						
																					| 
																						Document présent dans Rétro-docs 9 | 
																					
																						Acheter  | 
																				
																				
																				
																					| 
																						En ligne, disponible en
																						téléchargement
																					 | 
																																												Télécharger
																						 |