
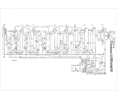
Marque :
Körting
Modèle :
Ultramar 37 SB8360 W
Type appareil :
récepteur à tubes
