
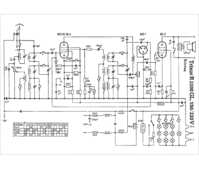
Marque :
Körting
Modèle :
Trixor R2200 GL-220V
Type appareil :
récepteur à tubes
