
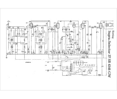
Marque :
Körting
Modèle :
Supra Selector 37 SB 4346 GW
Type appareil :
récepteur à tubes
