
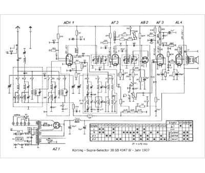
Marque :
Körting
Modèle :
Supra Sel 38 SB4348 GW
Type appareil :
récepteur à tubes
