Retour à l'accueil
 
 
Recherche de schémas
Collection CD/DVD

Service schémathèque 

1 document correspond à votre recherche.

Caractéristiques de l'appareil
Marque :
Körting
Modèle :
R215 GL
Type appareil :
récepteur à tubes
1 document correspondant à cet appareil
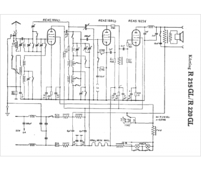
Schéma Körting R215 GL, Körting R220 GL
1 page
Document présent dans Rétro-docs 5 Acheter
En ligne, disponible en téléchargement Télécharger
La consultation de cet espace schémathèque est en accès libre.