
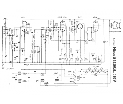
Marque :
Körting
Modèle :
Miros S3220 GL 110V
Type appareil :
récepteur à tubes
