Retour à l'accueil
 
 
Recherche de schémas
Collection CD/DVD

Service schémathèque 

2 documents correspondent à votre recherche.

Caractéristiques de l'appareil
Marque :
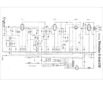
Körting
Modèle :
Meridian S4240 GW
Type appareil :
récepteur à tubes
2 documents correspondant à cet appareil
Schéma Körting Meridian S4240 GW
1 page
Document présent dans Rétro-docs 5 Acheter
En ligne, disponible en téléchargement Télécharger
Schéma Körting Meridian S 4240 GW
1 page
Document présent dans Rétro-docs 9 Acheter
En ligne, disponible en téléchargement Télécharger
Vous pouvez regrouper les téléchargements Tout télécharger
La consultation de cet espace schémathèque est en accès libre.