
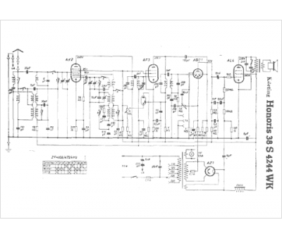
Marque :
Körting
Modèle :
Honoris 38 S4244 WK
Type appareil :
récepteur à tubes
