
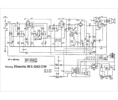
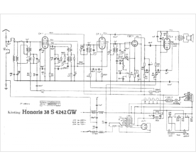
Marque :
Körting
Modèle :
Honoris 38 S4242 GW
Type appareil :
récepteur à tubes
