
Marque :
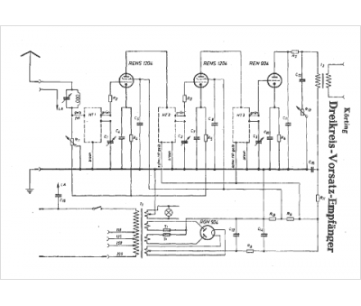
Körting
Modèle :
Dreikreis Vorsatz empf.
Type appareil :
récepteur à tubes
