
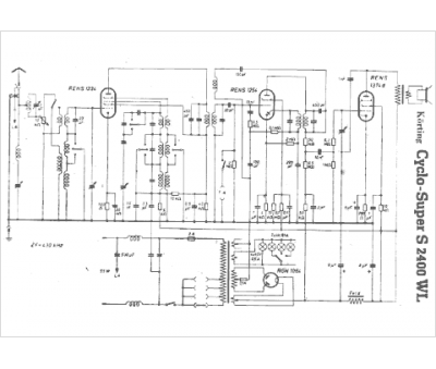
Marque :
Körting
Modèle :
Cyclo-Super S 2400 WL
Type appareil :
récepteur à tubes
