
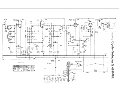
Marque :
															Körting																																															
														Modèle :
																Cyclo-Selector S4340 WL																																	
															Type appareil :
																récepteur à tubes
															