Retour à l'accueil
 
 
Recherche de schémas
Collection CD/DVD

Service schémathèque 

1 document correspond à votre recherche.

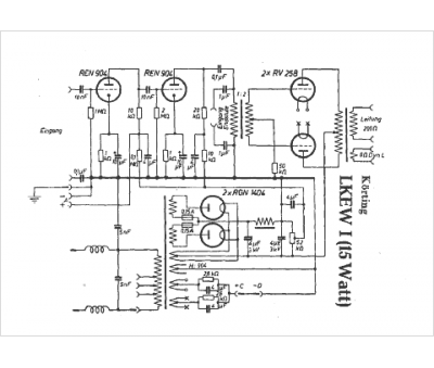
Caractéristiques de l'appareil
Marque :
Körting
Modèle :
Ampli LKEW 15 w
Type appareil :
récepteur à tubes
1 document correspondant à cet appareil
Schéma Körting Ampli LKEW 15 w
1 page
Document présent dans Rétro-docs 9 Acheter
En ligne, disponible en téléchargement Télécharger
La consultation de cet espace schémathèque est en accès libre.