
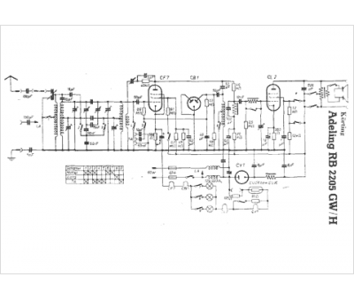
Marque :
															Körting																																															
														Modèle :
																Adeling RB 2205 GW/H																																	
															Type appareil :
																récepteur à tubes
															