
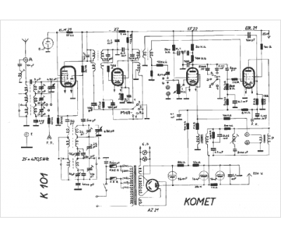
Marque :
Komet
Modèle :
K 101
Type appareil :
récepteur à tubes
Pays d'origine :
Suisse
