
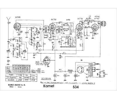
Marque :
Komet
Modèle :
534
Type appareil :
récepteur à tubes
Pays d'origine :
Suisse
