
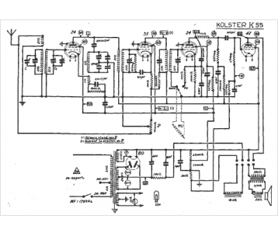
Marque :
Kolster
Modèle :
K 55
Type appareil :
récepteur à tubes
Pays d'origine :
États-Unis
