
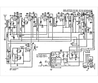
Marque :
Kolster
Modèle :
K 120
Type appareil :
récepteur à tubes
Année :
1932
Pays d'origine :
États-Unis
