
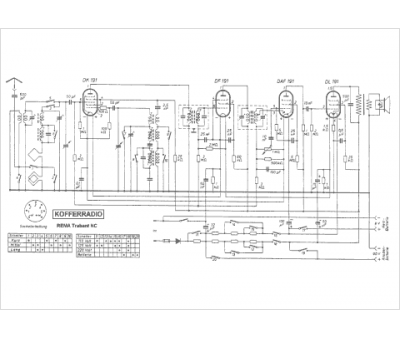
Marque :
Kofferradio
Modèle :
REMA Trabant NC
Type appareil :
récepteur à tubes
Pays d'origine :
Allemagne
