
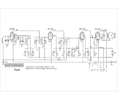
Marque :
Kofferradio
Modèle :
Puck
Type appareil :
récepteur à tubes
Pays d'origine :
Allemagne
