
Marque :
Kofferradio
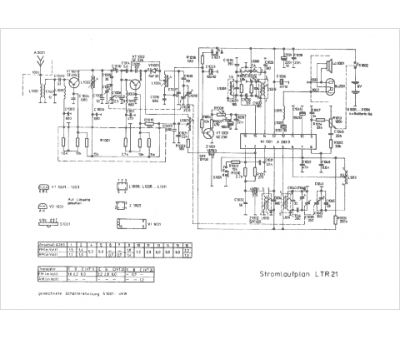
Modèle :
LTR 21
Type appareil :
récepteur à tubes
Pays d'origine :
Allemagne
