
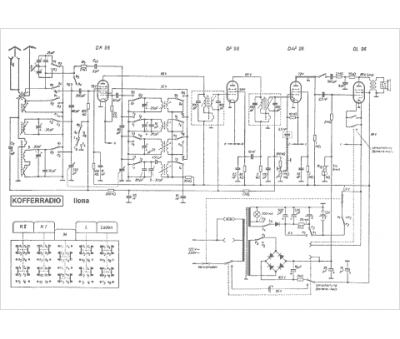
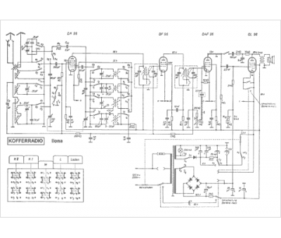
Marque :
Kofferradio
Modèle :
Ilona
Type appareil :
récepteur à tubes
Pays d'origine :
Allemagne
