
Marque :
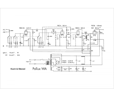
															Koch & Sterzel																																															
														Modèle :
																Pollux WA																																	
															Type appareil :
																récepteur à tubes
															Pays d'origine :
																Allemagne
															




