
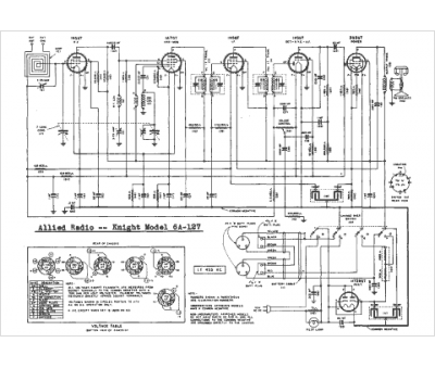
Marque :
Knight
Modèle :
6A-127
Type appareil :
récepteur à tubes
Année :
1946
Pays d'origine :
États-Unis
