
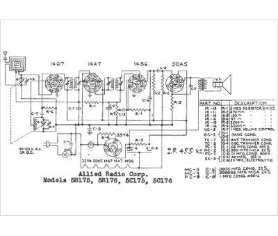
Marque :
Knight
Modèle :
5C176
Type appareil :
récepteur à tubes
Année :
1948
Pays d'origine :
États-Unis
