
Marque :
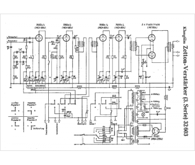
															Klangfilm																																															
														Modèle :
																Zetton 32603																																	
															Type appareil :
																récepteur à tubes
															Pays d'origine :
																Allemagne
															




