
Marque :
Klangfilm
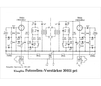
Modèle :
Foto 30051
Type appareil :
récepteur à tubes
Pays d'origine :
Allemagne
