
Marque :
															Klangfilm																																															
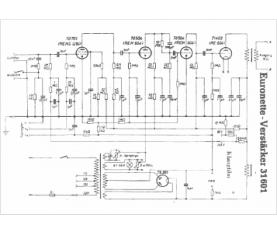
														Modèle :
																Euronette 31601																																	
															Type appareil :
																récepteur à tubes
															Pays d'origine :
																Allemagne
															




