
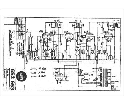
Marque :
Kawe
Modèle :
653
Type appareil :
récepteur à tubes
Pays d'origine :
Suisse
