
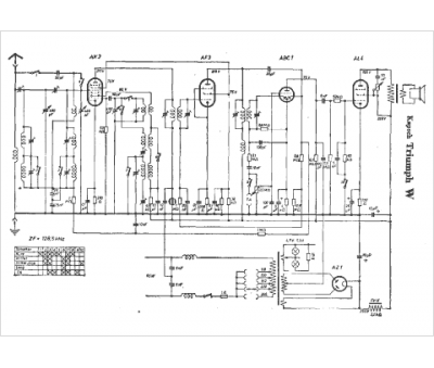
Marque :
Kapsch
Modèle :
Triumph W
Type appareil :
récepteur à tubes
Pays d'origine :
Allemagne
