
Marque :
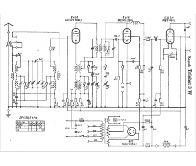
Kapsch
Modèle :
Triolet 3W
Type appareil :
récepteur à tubes
Pays d'origine :
Allemagne
