
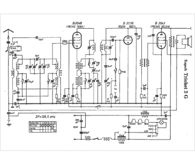
Marque :
Kapsch
Modèle :
Triolet 3G
Type appareil :
récepteur à tubes
Pays d'origine :
Allemagne
