
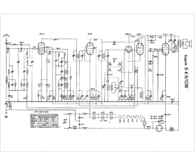
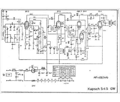
Marque :
Kapsch
Modèle :
S 4 S Gw
Type appareil :
récepteur à tubes
Pays d'origine :
Allemagne
