
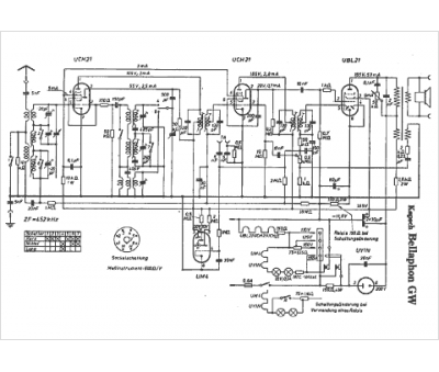
Marque :
Kapsch
Modèle :
Bellaphon GW
Type appareil :
récepteur à tubes
Pays d'origine :
Allemagne
