
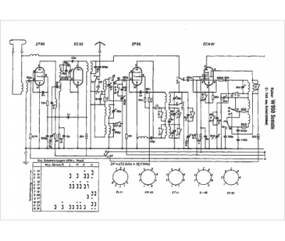
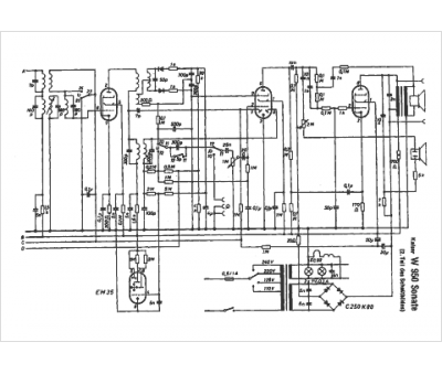
Marque :
Kaiser
Modèle :
W 950 Sonate
Type appareil :
récepteur à tubes
Pays d'origine :
Allemagne
