
Marque :
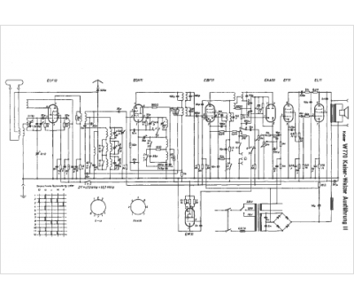
Kaiser
Modèle :
W 770 53 Kaiser-Walzer
Type appareil :
récepteur à tubes
Pays d'origine :
Allemagne
