
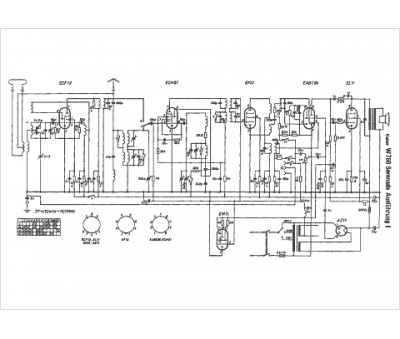
Marque :
Kaiser
Modèle :
W 750 Serenade
Type appareil :
récepteur à tubes
Pays d'origine :
Allemagne
