
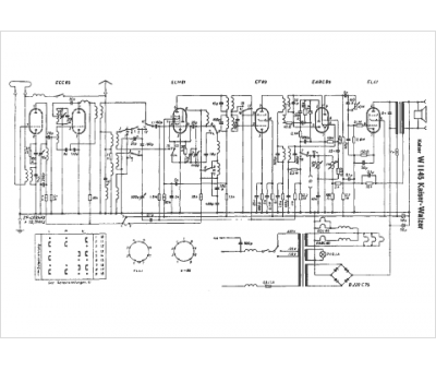
Marque :
Kaiser
Modèle :
W 1145 Kaiser-Walzer
Type appareil :
récepteur à tubes
Pays d'origine :
Allemagne
